[Rack Out Of Dust] 4. 서버도 공기청정기 쓸 자격 있다!! - 완성

Rack Out Of Dust 프로젝트
시끄러워 발코니에 격리한 허브랙에 공기청정기 환기 시스템을 달아주는, 그야말로 병주고 약주고죠 😉
#HW#3D Design#3D Printing#PCB Design#FW#nRF Connect SDK#ZigBee#HomeAssistant#Zigbee2MQTT[Rack Out Of Dust] 1. 병주고 약주고 프로젝트 시작
[Rack Out Of Dust] 2. 외형 설계 및 제작
PCB 설계 #
One more thing... #
nRF52840을 이용한 프로젝트가 처음이다 보니, 프로젝트를 진행하며 펌웨어 파트와 PCB 파트가 가장 걱정이 되었습니다. 그래도 잘 작동하는 펌웨어를 보고 있으니 하나의 산을 넘은 느낌이에요 🙂
한편, 또 다른 “첫 경험”을 추가해보려 하는데요, 이번 프로젝트를 통해 2021년 첫 PCB 설계부터 지금까지 쭉 사용하던 EAGLE CAD에서 Fusion360 Electronics로 옮겨보려 합니다. 주로 사용하는 3D 설계 프로그램이 Fusion360이다 보니 Fusion에서 EAGLE로 보드 외형을 넘긴다던지 간섭을 확인할 때 항상 불편함이 있었는데, 이게 크게 해결되지 않을까 기대한 것이죠. 또한 Autodesk에서 EAGLE을 인수하며 대부분의 기능들이 녹아있을거라 쉽게 적응할 것 같았습니다.
사실 1년 전 쯤 Fusion360 Electronics를 사용하려 했었는데요, 너무 불편한 나머지 도망쳤던 기억이 있습니다. 2024년 현재는..
결론부터 이야기하자면 대성공이라 엄청난 만족중입니다. 자세한 내용은 조만간 포스팅으로 소개하겠습니다..!
Schematic 설계 #
SoC #
어떤 MCU건 간에 레퍼런스 디자인을 참고하면 작동하는 회로를 설계할 수 있습니다. 이번 역시 비슷한 자료를 찾아 활용했습니다.

Technical Documentation
docs.nordicsemi.com![Nordic nRF52840 상세 - Circuit configurations for QIAA aQFN73 [[링크]](https://docs.nordicsemi.com/bundle/ps_nrf52840/page/ref_circuitry.html)](/blog/rack-out-of-dust-4/5.webp)
HV 모드, 내장 DC-DC컨버터, USB 등의 사용 여부에 따라 다양한 레퍼런스가 제공되고 있었습니다.
저는 AMS1117을 통해 3.3V 전원을 공급하고, USB나 NFC는 사용하지 않을 예정이라 Config. 6을 참고했습니다.
아니 세상에 답안지라니!

딱 한가지 32k 외장 오실레이터를 때주었습니다. 내장 RC 오실레이터로 대체가 가능하지만 uA 단위의 전류 소비가 증가한다고 하는데요, AC 전원을 사용하기 때문에 큰 문제는 없을것 같았습니다.
이외에도 편의를 위한 SoC 및 ZigBee 리셋 스위치, 전원 및 상태 스위치를 추가했습니다.
![Tag-Connect - TC2020-CTX-NL [[링크]](https://www.tag-connect.com/product/tc2030-ctx-nl-6-pin-no-legs-cable-with-10-pin-micro-connector-for-cortex-processors)](/blog/rack-out-of-dust-4/8_hu_c8b750e0ebd5f5ec.webp)
펌웨어 업데이트는 SWD 인터페이스를 점퍼 케이블로 사용하기로 했습니다. 다음에는 조금 더 깔쌈하게 위 사진과 같은 포고핀 프로브를 사용해봐야겠습니다.
전원부 #
PMS7003 센서를 위한 5V 전원과 SoC, 그리고 SHT45 센서를 위한 3.3V가 필요합니다.

12V→5V로 강압해주는 컨버터가 필요한데요, SMT를 맞길 JLCPCB에서 Basic Part로 취급되는 TPS54331를 선택했습니다.

Texas Instruments에서 제공하는 WEBENCH를 활용하면 원하는 조건에서의 최적 레퍼런스 회로를 얻을 수 있습니다. 입력 전압 12V에, 출력 1A로 설정해 회로를 참고했습니다.
다만, Vsense 핀에 들어가는 분배저항은 SMT 비용 절약을 위해 10k/2k로 선택했습니다. 이렇게 설정하면 5V보다 약간 높은 전압이 출력되기는 하지만, 연결되는 센서 전압 범위가 넓어 문제가 없습니다. (PMS7003: 4.5~5.5V)
나머지 3.3V는 만만한 LDO를 박아줬습니다.

가장 왼쪽의 컴포넌트는 전원 공급을 위한 터미널 블럭입니다.
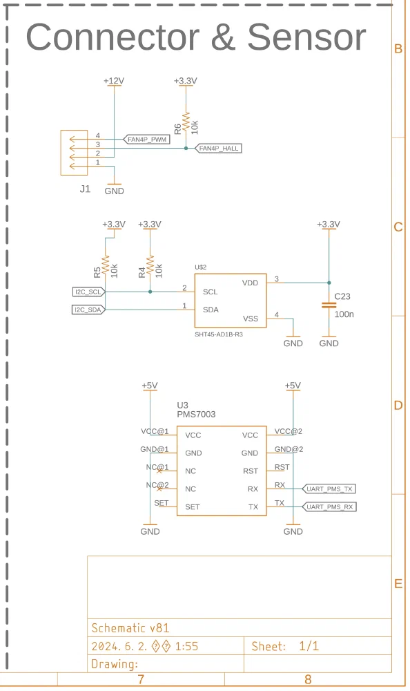
커넥터 및 센서 #

나머지 쿨링팬 커넥터, PMS7003 커넥터, SHT45입니다. 지금 보니 SDA 풀업 저항 선이 안이쁘게 그어져 있네요. 귀찮으니 두겠습니다

전체 Schematic입니다.
PCB 외형 설계 #
앞서 Fusion360 Electronics를 사용한다고 했는데요, Fusion360에서는 기존 EAGLE에서 제공하던 외형 설계 방법 이외에도 설계중이던 3D뷰에서 스케치를 뽑아와 외형으로 사용하는 방법을 지원합니다.


3D 뷰에서 PCB 외형을 그린 후,

CREATE → Create PCB → Create Associative PCB 클릭,

설계한 PCB 스케치를 클릭한 후, OK

그러면 이런 3D PCB가 생성됩니다.
이제 이 PCB를 기존에 설계중이던 보드 디자인 파일에 링크시키면 외형이 넘어가고, 설계를 마친 뒤 보드 뷰 파일에서 동기화시키면 3D PCB에서 실장된 부품의 형상을 볼 수 있습니다.

보드 디자인 파일 연동을 위해 MODIFY → Link to 2D PCB 를 클릭하고,

보드 디자인 파일을 선택하면,

이렇게 외형이 넘어갑니다.
EAGLE을 사용할 때에는 dxf 기능에 버그가 있어 엄청난 고통을 받았는데,,여긴 한순간이네요 🤯
아트웍 #
![NORDIC - nRF52840 프로필 [[링크]](https://www.nordicsemi.com/Products/nRF52840?lang=en)](/blog/rack-out-of-dust-4/22_hu_53e50fed248764d7.webp)
nRF52840 SoC는 QIAA 패키지를 사용합니다. 지네처럼 다리가 달린 IC만 사용해오다가 이런 형태를 보니 정말 신기하더라고요.
문제가 하나 생기게 되는데요, 안쪽 열의 pad를 사용하기 위해서는 Via in Pad가 강제되는 반면, JLCPCB의 2-Layer PCB의 capability 상 Via in Pad가 불가능했습니다.


사용하는 핀이 적다 보니 딱 하나, 리셋 핀이 문제가 되어 사용하지 않는 IO 핀을 통해 fanout 해주었습니다. 뭔가 고수가 된 느낌이였습니다.
비하인드 (세모 클릭해 열기)
사실 아무 생각 없이 USB 데이터 라인으로 fanout했다가 첫 PCB를 날렸습니다 ㅋㅋㅋ...

구체적으로 설명하자면, 우선 nRF52840은 USB 디퍼런셜을 오직 USB 목적으로만 사용할 수 있는데요, USB 동작을 위한 보호 다이오드 등이 SoC 내부적으로 USB GND와 연결되어 있습니다.
이 상황에서 “
이힣USB 안쓰지” 하며 USB GND를 GND에 묶어버리고(사진의 AD2) USB D-(AD6)를 통해 Pull-up 되는 리셋 라인을 fanout해버리니 리셋 핀이 LOW가 되어 부팅이 안되는 것이였죠.

USB GND를 잘라버리고, 리셋 라인에 3.3V를 직접 먹여줘 부팅을 성공시켰습니다.
그렇게 다시 설계해 새로 주문한게 이번 포스팅에 등장하는 PCB입니다 ㅋㅋ..


완성된 PCB입니다.
항상 칩안테나를 사용하다가 이번에는 PCB 패턴으로 그려지는 IFA(Inverted-F Antenna)를 사용해봤습니다. 어떻게 이게 안테나로 작동하는지 궁금해 자료를 조금 찾아봤는데, 정말 어려운 세계인것 같았습니다. 일단 지금은 누군가가 만들어둔 라이브러리를 사용하기로 했죠 ㅋㅋ..
테스트 #

nRF52840-DK의 J-Link를 이용해 펌웨어를 업로드했습니다.
그리고 테스트..!
잘 작동하네요!
PCB 결합 및 완성 #


잘 작동함을 확인했으니 3D 프린팅한 외형에 PCB를 결합해 완성해주었습니다.

이제 일시켜야죠. 허브랙 위에 넵다 올렸습니다.
얼마나 흉측할지 기대(?)했는데, 꽤...괜찮네요? ㅋㅋㅋㅋ 🙃

전면에서 보면 이런 느낌입니다.
작동 테스트도 빼먹을 수 없죠. 잠시 필터를 빼준 후 테스트했습니다.
풍압에 대한 걱정이 조금 있었다 보니 공기를 잘 빨아주는지 테스트를 해보았습니다.
가장 낮은 속도로 설정해도 필터에 붙여둔 휴지가 떨어지지 않네요 👍
마무리 #











2024년 첫 프로젝트인 rack out of dust의 마무리입니다.
동시에 nRF52840을 이용한 첫 프로젝트이죠. 오래 전에 nRF52840-DK를 구매하고 이후로 방치해두며 언제 이걸 써먹을지 고민만 하고 있었는데요, 프로젝트를 마친 지금 시점에서는 “나도 nRF Connect SDK 써봤다!!” 라고 우길 정도는 된 것 같습니다 ㅎㅎㅎ
포스팅에서는 크게 다루지는 않았지만, 첫 PCB를 날려먹는 우여곡절이 있었음에도 만족할 만한 결과물이 나와 상당히 만족스럽습니다. 덕분에 이번 여름은 서버에게 좋은 계절이 될 것 같아요 😎
지난 LEXON MOD 프로젝트를 진행하며 이제는 Matter로 넘어가기로 했는데요, 마침 아두이노에서 NANO Matter도 출시했겠다, 당분간은 Matter을 알아보는 시간을 가지게 될 것 같습니다.
다음 프로젝트는 Matter와 함께 돌아오겠습니다!